Антенный тюнер
Весь комплект аппаратуры, делался для дачной позиции в сельской местности на берегу озера.
В него входит УСМ на 4хГУ50, антенный тюнер, он же коммутатор антенн,
импульсный БП для трансивера ICOM IC-751A.
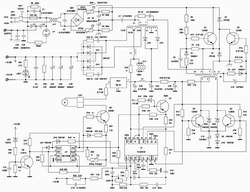
Антенный тюнер собран по простой и классической схеме, на базе Т-образной схемы согласователя с той лишь разницей, что применен всего один переменный кондесатор настройки с большим зазором между статорными и роторными пластинами, суммарной ёмкостью 20-300 пф. Так же установлено реле, которое при ниобходимости увеличивает максимальную ёмкость переменного конденсатора до 500пф, за счет добавления постоянной ёмкости в 180пф. Классический согласующий Т-мост, выполняется с двумя переменными конденсаторами и устнавленной между ними индуктивностью на землю. Обычно ставят вариометр с "скользащим витком".
У меня применена зеркальная схема, то есть две катушки последовательно, а между ними, один единственный переменный кондесатор, на корпус. Экономия на мощном переменнике, но зато пришлось поставить две катушки и выполнить их на самодельных каркасах. Каждая катушка одного плеча в 35-38 мкгн и имеет 18 отводов, где переключения отводов выполняется двумя галетными переключателями, включенными последовательно. Второе плечо, так же имеет два галетника и такую же катушку. Катушки намотаны на каркасах диаметром 45мм, проводом 2.0мм и с шагом в 2.5мм.
Тюнер имеет гнездо входа RTX, последовательно с гнездом включен КСВ-метр, выполенный по классической схеме на токовом кольцевом трансформаторе. Далее, через последовательную ёмкость конденсатора в 6800пф, приходит на центральный контакт галетного переключателя, который имеет 7 положений и выполняет роль коммутатора подключенных антенн. Всего тюнер имеет 5 выходных прямых гнезд SO-239 и одно гнездо (№6) подключенное на выход согласующего устройства. 7-е положение переключателя, это подключение трансивера на эквивалент 50ом ( 25 вт), установленного в подвале корпуса тюнера.
Для защиты трансивера от статики, каждое выходное гнездо тюнера шунтировано сопротивлением МЛТ-2вт на 82ком. Кроме этого, на входном гнезде RTX установлен вакуумный разрядник типа "Р" на пробой в 350вольт. Параллельно разряднику, относительно корпуса тюнера, установлен дроссель 1.5mH, для отвода статики на корпус. На настройку в КВ диапазонах он не влияет, но зато хорошо отводит статическое электричество на землю и не дает иму накапливатся. Таким образом выполнена защита по входу трансивера. Антенный тюнер содержит простенький БП на +24в/500ма , для питания подсветки прибора КСВ-метра и питания реле переменного конденсатора.
Схему я рисовать не стал, потому как само устройство очень простое. Под конец скажу, что тюнер прошел испытания, и прекрасно выдерживает проходящую мощность УСМ на 4хГУ50, позволяя настраваться под нагрузку в довольно широком диапазоне сопротивлений.
В него входит УСМ на 4хГУ50, антенный тюнер, он же коммутатор антенн,
импульсный БП для трансивера ICOM IC-751A.
Антенный тюнер собран по простой и классической схеме, на базе Т-образной схемы согласователя с той лишь разницей, что применен всего один переменный кондесатор настройки с большим зазором между статорными и роторными пластинами, суммарной ёмкостью 20-300 пф. Так же установлено реле, которое при ниобходимости увеличивает максимальную ёмкость переменного конденсатора до 500пф, за счет добавления постоянной ёмкости в 180пф. Классический согласующий Т-мост, выполняется с двумя переменными конденсаторами и устнавленной между ними индуктивностью на землю. Обычно ставят вариометр с "скользащим витком".
У меня применена зеркальная схема, то есть две катушки последовательно, а между ними, один единственный переменный кондесатор, на корпус. Экономия на мощном переменнике, но зато пришлось поставить две катушки и выполнить их на самодельных каркасах. Каждая катушка одного плеча в 35-38 мкгн и имеет 18 отводов, где переключения отводов выполняется двумя галетными переключателями, включенными последовательно. Второе плечо, так же имеет два галетника и такую же катушку. Катушки намотаны на каркасах диаметром 45мм, проводом 2.0мм и с шагом в 2.5мм.
Тюнер имеет гнездо входа RTX, последовательно с гнездом включен КСВ-метр, выполенный по классической схеме на токовом кольцевом трансформаторе. Далее, через последовательную ёмкость конденсатора в 6800пф, приходит на центральный контакт галетного переключателя, который имеет 7 положений и выполняет роль коммутатора подключенных антенн. Всего тюнер имеет 5 выходных прямых гнезд SO-239 и одно гнездо (№6) подключенное на выход согласующего устройства. 7-е положение переключателя, это подключение трансивера на эквивалент 50ом ( 25 вт), установленного в подвале корпуса тюнера.
Для защиты трансивера от статики, каждое выходное гнездо тюнера шунтировано сопротивлением МЛТ-2вт на 82ком. Кроме этого, на входном гнезде RTX установлен вакуумный разрядник типа "Р" на пробой в 350вольт. Параллельно разряднику, относительно корпуса тюнера, установлен дроссель 1.5mH, для отвода статики на корпус. На настройку в КВ диапазонах он не влияет, но зато хорошо отводит статическое электричество на землю и не дает иму накапливатся. Таким образом выполнена защита по входу трансивера. Антенный тюнер содержит простенький БП на +24в/500ма , для питания подсветки прибора КСВ-метра и питания реле переменного конденсатора.
Схему я рисовать не стал, потому как само устройство очень простое. Под конец скажу, что тюнер прошел испытания, и прекрасно выдерживает проходящую мощность УСМ на 4хГУ50, позволяя настраваться под нагрузку в довольно широком диапазоне сопротивлений.
Антенный тюнер EW6T
Щелкните мышью по фотографии для увеличения !
Щелкните мышью по фотографии для увеличения !
| Общий вид | ATU & IC-751A | Задняя панель |
| Согласующий Т-мост Вид сверху |
Узел согласования | Самодельные катушки |
Импульсный блок питания EW6T
На каждой радиостанции, полезно иметь второй, запасной источник питания. Этой же темой и я озаботился.
Делать с нуля хороший аналоговый БП уже не хотелось, довольно затратно, да и старый БП ( фото в самом низу),
показал свою надежность за долгие годы эксплуатации тому способствовал. Поэтому решил пойти простым путем
и приобрел через маркетплейс широко нынче распространненый импульсный БП,который раньше шел под брендовым
названием MEAN WELL.
Мой образец был куплен буквально за 10 вечно зеленых рублей. Понятное дело, что этот конкретный образец, даже не MEAN WELL, а сделан в Китае, сторонней компанией по схематехнике оригинального образца.
Я не очень доверяю дешевой продукции из Китая. Все же БП, который должен питать трансивер, стоимостью, куда как бОльшей, чем 10$, потребовал пристального изучения. Схематехника действительно оказалась практически одинаковой, за исключением питания охлаждающего схему вентилятора. Отсуствовала терморегулировка, поэтому сразу же после включения, вентилятор начинал работу на высоких оборотах.
БП был испытан под длительное время нагрузкой в 25А и показал отличную стабильность выходного напряжения. Таким образом было решено его облагородить и разместить в корпусе со стрелочными приборами тока и напряжения. Установить дополнительыне фильтра по входу (со стороны сети) и по выходу, что бы гарантированно исключить влияние импульсной техники на приемопередающую технику.
Для включения вентилятора, я не стал делать отдельную плату с терморегулированием и обошелся простой кнопкой переключения оборотов. Всего два режима, один при работе вентилятора от напряжения 9v, второй, при полном напряжении выхода в 13.6v. Думаю, этого более, чем достаточно, учитывая то, что особо в этом БП и не сильно что то нагревается, что бы гонять вентилятор на всю мощность.
Кроме того, хотя в БП установлена своя защита от КЗ и перенапряжения на выходе, все же добавил еще один узел защиты по выходу от классического БП от фирмы "Astron", которая мгновенно отключает выход в БП, если напряжение достигнет порога в 15V. Для авариной развязки с нагрузкой на задней панеле установлен электрический предохранитель - DC 25A автомат, который и должен сработать в случае аварийной ситуации. Китай есть Китай и дополнительная защита не помешает.
В корпусе БП, дополнительно размещен и внешний динамик для трансивера. Чисто для удобства эксплуатации. При эксплуации импульсного БП, наличие заземления корпуса, обязательно!
Мой образец был куплен буквально за 10 вечно зеленых рублей. Понятное дело, что этот конкретный образец, даже не MEAN WELL, а сделан в Китае, сторонней компанией по схематехнике оригинального образца.
Я не очень доверяю дешевой продукции из Китая. Все же БП, который должен питать трансивер, стоимостью, куда как бОльшей, чем 10$, потребовал пристального изучения. Схематехника действительно оказалась практически одинаковой, за исключением питания охлаждающего схему вентилятора. Отсуствовала терморегулировка, поэтому сразу же после включения, вентилятор начинал работу на высоких оборотах.
БП был испытан под длительное время нагрузкой в 25А и показал отличную стабильность выходного напряжения. Таким образом было решено его облагородить и разместить в корпусе со стрелочными приборами тока и напряжения. Установить дополнительыне фильтра по входу (со стороны сети) и по выходу, что бы гарантированно исключить влияние импульсной техники на приемопередающую технику.
Для включения вентилятора, я не стал делать отдельную плату с терморегулированием и обошелся простой кнопкой переключения оборотов. Всего два режима, один при работе вентилятора от напряжения 9v, второй, при полном напряжении выхода в 13.6v. Думаю, этого более, чем достаточно, учитывая то, что особо в этом БП и не сильно что то нагревается, что бы гонять вентилятор на всю мощность.
Кроме того, хотя в БП установлена своя защита от КЗ и перенапряжения на выходе, все же добавил еще один узел защиты по выходу от классического БП от фирмы "Astron", которая мгновенно отключает выход в БП, если напряжение достигнет порога в 15V. Для авариной развязки с нагрузкой на задней панеле установлен электрический предохранитель - DC 25A автомат, который и должен сработать в случае аварийной ситуации. Китай есть Китай и дополнительная защита не помешает.
В корпусе БП, дополнительно размещен и внешний динамик для трансивера. Чисто для удобства эксплуатации. При эксплуации импульсного БП, наличие заземления корпуса, обязательно!
Импульсный блок питания радиостанции EW6T
Щелкните мышью по фотографии для увеличения !
Щелкните мышью по фотографии для увеличения !